
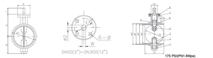
Size:DN50~DN300
Pressure:PN10/PN16/150 psi/200 psi
Standard:
Face to face: EN558-1
Top flange: ISO 5211
Description:
GD Series grooved end butterfly valve?is a grooved end bubble tight shutoff butterfly valve with outstanding flow characteristics. The rubber seal is molded onto the ductile iron disc, in order to allow for maximum flow potential.?It offers economical, efficient, and reliable service for grooved end piping applications. It is easily installed with two grooved end couplings.
?
Typical application:
HVAC, filtering system, etc.
| Size | A | B | D | D1 | D2 | L | H | E | F | G | G1 | I | P | W | U | K | Φ1 | Φ2 | Weight (kg) | |
| mm | inch | |||||||||||||||||||
| 50 | 2 | 98.3 | 61 | 51.1 | 78 | 35 | 32 | 9.53 | 50 | 57.15 | 60.33 | 81.5 | 15.88 | 50.8 | 9.52 | 49.5 | 77 | 7 | 12.7 | 2.6 |
| 65 | 2.5 | 111.3 | 65 | 63.2 | 92 | 35 | 32 | 9.53 | 50 | 69.09 | 73.03 | 97.8 | 15.88 | 63.5 | 9.52 | 61.7 | 77 | 7 | 12.7 | 3.1 |
| 80 | 3 | 117.4 | 75 | 76 | 105 | 35 | 32 | 9.53 | 50 | 84.94 | 88.9 | 97.8 | 15.88 | 76.2 | 9.52 | 74.5 | 77 | 7 | 12.7 | 3.5 |
| 100 | 4 | 136.7 | 90 | 99.5 | 132 | 55 | 32 | 9.53 | 70 | 110.08 | 114.3 | 115.8 | 15.88 | 101.6 | 11.1 | 98 | 92 | 10 | 15.88 | 5.4 |
| 150 | 6 | 161.8 | 130 | 150.3 | 185 | 55 | 45 | 9.53 | 70 | 163.96 | 168.3 | 148.8 | 15.88 | 152.4 | 17.53 | 148.8 | 92 | 10 | 25.4 | 10.5 |
| 200 | 8 | 196.9 | 165 | 200.6 | 239 | 70 | 45 | 11.1 | 102 | 214.4 | 219.1 | 133.6 | 19.05 | 203.2 | 20.02 | 198.8 | 125 | 12 | 28.58 | 16.7 |
| 250 | 10 | 228.6 | 215 | 250.7 | 295 | 70 | 45 | 12.7 | 102 | 368.28 | 273.1 | 159.8 | 19.05 | 254 | 24 | 248.8 | 125 | 12 | 34.93 | 27.4 |
| 300 | 12 | 266.7 | 258 | 301 | 350 | 70 | 45 | 12.7 | 102 | 318.29 | 323.9 | 165.1 | 19.05 | 304.8 | 26.92 | 299.1 | 125 | 12 | 38.1 | 37.2 |
.